Product Series
推薦產品
河南華東起重機械設備公司
服務熱線:400 086 9590
公司:河南華東起重機械設備有限公司
聯系人:賈經理
聯系電話:13903802779
地址:河南新鄉市封丘縣起重機工業園區
當前位置: 起重機 > 起重機文章
YW-L型電力液壓鼓式制動器YW-L型電力液壓鼓式剎車抱閘
時間:2024-01-23來源:起重機制動器廠家瀏覽次數:1
制動器產品介紹
YW-L型電力液壓鼓式制動器型號規格有:YW-L-200/E23、YW-L-200/E30、YW-L-250/E23、YW-L-250-E30、YW-L-250-E50、YW-L-315-E23、YW-L-315-E30、YW-L-315-E50、YW-L-315-E80、YW-L-400-E30、YW-L-400-E50、YW-L-400-E80、YW-L-400-E121、YW-L-500-E50、YW-L-500-E80、YW-L-500-E121、YW-L-500-E201型等,鼓式制動器廣泛用于起重機械、運輸、冶金、港口、碼頭、建筑機械等機械驅動裝置的減速或制動。根據用戶要求,可生產各種常開、防爆及非標制動器產品。
制動器產品說明
產品名稱:YW-L型電力液壓鼓式制動器
別名別稱:抱閘/制動剎車
型號規格:YW-L型
所屬類別:液壓鼓式制動器
產品產地:河南新鄉長垣/焦作武陟
非標定制:可定制
是否現貨:部分現貨
生產周期:10~20天
包裝形式:無/包裝另計
供貨范圍:全國
送達方式:自提或快遞托運
是否安裝:安裝另計
售后方式:一年保修
制動器產品圖冊



制動器相關參數
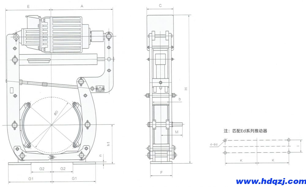
YW-L電力液壓鼓式制動器外形尺寸圖

YW-L系列電力液壓鼓式制動器技術參數與主要尺寸數據表
| 制動器型號 | 匹配推動器 | 制動力矩(N.m) | 退距(mm) | A | b | C | D | d | E | F | G1 | G2 | H | h1 | i | K | M | n | 重量 (kg) |
| YW-L-200/E23 | Ed23/5 | 200 | 0.6 | 215 | 70 | 160 | 200 | 14 | 180 | 100 | 165 | 75 | 710 | 160 | 55 | 145 | 165 | 10 | 46 |
| 705 | |||||||||||||||||||
| YW-L-200/E30 | Ed30/5 | 300 | 255 | 210 | 52 | ||||||||||||||
| YW-L-250/E23 | Ed23/5 | 260 | 0.8 | 310 | 90 | 160 | 250 | 18 | 230 | 110 | 200 | 100 | 795 | 190 | 65 | 180 | 225 | 12 | 53 |
| YW-L-250/E30 | Ed30/5 | 380 | 310 | 230 | |||||||||||||||
| 790 | |||||||||||||||||||
| 61 | |||||||||||||||||||
| 865 | |||||||||||||||||||
| YW-L-250/E50 | Ed50/6 | 700 | 310 | 190 | 230 | 140 | 69 | ||||||||||||
| YW-L-315/E23 | Ed23/5 | 290 | 1.0 | 350 | 110 | 160 | 315 | 18 | 275 | 120 | 245 | 135 | 895 | 230 | 80 | 220 | 255 | 14 | 72 |
| 890 | |||||||||||||||||||
| YW-L-315/E30 | Ed30/5 | 410 | 350 | 275 | 78 | ||||||||||||||
| YW-L-315/E50 | Ed50/6 | 720 | 350 | 190 | 275 | 145 | 970 | 81 | |||||||||||
| YW-L-315/E80 | Ed80/6 | 1200 | 350 | 275 | 92 | ||||||||||||||
| YW-L-400/E30 | Ed30/5 | 390 | 1.25 | 370 | 140 | 160 | 400 | 22 | 340 | 160 | 310 | 150 | 955 | 280 | 100 | 270 | 280 | 14 | 98 |
| YW-L-400/E50 | Ed50/6 | 750 | 440 | 190 | 340 | 1075 | 102 | ||||||||||||
| YW-L-400/E80 | Ed80/6 | 1250 | 440 | 340 | 114 | ||||||||||||||
| 132 | |||||||||||||||||||
| YW-L-400/E121 | Ed121/6 | 1900 | 440 | 240 | 340 | 1065 | |||||||||||||
| YW-L-500/E50 | Ed50/6 | 900 | 1.25 | 435 | 180 | 190 | 500 | 22 | 400 | 200 | 365 | 185 | 1245 | 340 | 130 | 325 | 350 | 21 | 154 |
| YW-L-500/E80 | Ed80/6 | 1650 | 400 | 159 | |||||||||||||||
| YW-L-500/E121 | Ed121/7 | 2500 | 240 | 400 | 1235 | 176 | |||||||||||||
| YW-L-500/E201 | Ed201/7 | 4100 | 400 | 181 |
制動器符合標注
YW電力液壓鼓式制動器安裝尺寸和制動力矩參數符合DIN15435-86和JB/T7021-2006標準,技術條件符合JB/T6406-2006標準;
可增設附加功能(見下表制動器附加功能)。
| 制動器附件功能表 | |
| 附加功能代號 | 附加功能 |
| M | 襯墊磨損自動補償裝置 |
| K1 | 開閘(上升)顯示行程開關 |
| K2 | 閉閘(下降)顯示行程開關 |
| K3 | 襯墊磨損極限顯示行程開關 |
| S1 | 左式手動裝置 |
| S2 | 右式手動裝置 |
制動器主要特點:
性能安全可靠、制動平穩,動作頻率高。
制動器使用條件:
環境溫度-20℃~50℃;
周圍工作環境中不得有易燃、易爆及腐蝕性氣體,否則應采用防腐型產品;
空氣相對濕度不大于90%;
使用地點的海拔高度符合GB755-2008。
YW-L電力液壓鼓式制動器生產廠家還為用戶提供YWZB、YWZ3B、YWZ4B、YWZ9(YWZ5)、YWZ8、YWZ13、YW、YW-E、TWZ(B)、TYWZ2、JZ、MW(Z)、ZWZA、ZWZ2、ZWZ3鼓式制動器,廠用防爆、廠用BZES隔爆封閉式制動器、礦用DYW防爆制動器,YPZ2ⅠⅡⅢ、YPZ2ⅣⅤⅥ、DAZ、SE/SH、SB/SBD、YZ、DCPZ、BNM、QP12.7等盤式制動器,YLBZ(液壓輪邊制動器)、YFX(電力液壓防風鐵楔制動器)、YJGQ(液壓夾軌器)等防風制動器,ED1YT1系列電力液壓推動器、ZED交流直流兩用電力液壓推動器、BYT1BEd系列隔爆式電力液壓推動器、EDX系列電力液壓推動器等驅動裝置(液壓罐、制動器電機)、制動瓦塊、制動器架子等成套零部件及相關產品的設計制造(定制)和配件批發零售、安裝修理維修等服務,更多國標/非標/專用工業制動器廠家品牌、技術參數、安裝尺寸圖紙、價格請咨詢客服。
-
23
2024-01
EYWZ系列電力液壓鼓式制動器EYWZ電力液壓鼓式剎車抱閘
制動器產品介紹 EYWZ系列電力液壓鼓式制動器型號規格有:EYWZ-200/E23、EYWZ-200/E50、EYWZ-250/E50、EYWZ-315/E50、EYWZ-315/E80等。主要用于起重機大車行走機構的制動和皮帶運輸機的工作制動,該系列制動器為兩級制動式制動 裝置,第二級的制動時間可通過單向調速閥進行調整,制動平穩,安全可靠。制動器產品說明產品名稱:電力液壓鼓式制動器別...詳細
-
23
2024-01
YWP系列電力液壓鼓式制動器YWP電力液壓鼓式剎車抱閘
制動器產品介紹 YWP系列電力液壓鼓式制動器型號規格有:YWP160-220、YWP200-220、YWP200-300、YWP250-220、YWP250-300、YWP250-500、YWP315-300、YWP315-500、YWP315-800、YWP400-500、YWP400-800、YWP400-1250、YWP500-800、YWP500-1250、YWP500-200...詳細
-
23
2024-01
YWZ(12)系列電力液壓鼓式制動器YWZ(12)電力液壓鼓式剎車抱閘
制動器產品介紹 YWZ12系列電力液壓鼓式制動器型號規格有:YWZ12-200/23S、YWZ12-200/30S、YWZ12-250/23S、YWZ12-250/30S、YWZ12-250/50S、YWZ12-315/30S、YWZ12-315/50S、YWZ12-315/80S、YWZ12-400/50S、YWZ12-400/80S、YWZ12-400/121S、YWZ12-500...詳細
-
23
2024-01
YWZ(10)系列電力液壓鼓式制動器YWZ(10)電力液壓鼓式剎車抱閘
制動器產品介紹 YWZ10系列電力液壓鼓式制動器型號規格有:YWZ10-200/E23、YWZ10-200/E30、YWZ10-250/E23、YWZ10-250/E30、YWZ10-250/E50、YWZ10-315/E30、YWZ10-315/E50、YWZ10-315/E80、YWZ10-400/E50、YWZ10-400/E80、YWZ10-400/E121、YWZ10-500...詳細
-
23
2024-01
YW-E二級電力液壓鼓式制動器YW-E型電力液壓鼓式剎車抱閘
制動器產品介紹 YW-E二級電力液壓鼓式制動器型號規格有:YW-E200/E23、YW-E200/E30、YW-E200/E50、YW-E250/E50、YW-E315-E50、YW-E315-E80、YW-E400-E80型等,鼓式制動器廣泛用于起重機械、運輸、冶金、港口、碼頭、建筑機械等機械驅動裝置的減速或制動。根據用戶要求,可生產各種常開、防爆及非標制動器產品。 制...詳細
-
23
2024-01
YW-L型電力液壓鼓式制動器YW-L型電力液壓鼓式剎車抱閘
制動器產品介紹 YW-L型電力液壓鼓式制動器型號規格有:YW-L-200/E23、YW-L-200/E30、YW-L-250/E23、YW-L-250-E30、YW-L-250-E50、YW-L-315-E23、YW-L-315-E30、YW-L-315-E50、YW-L-315-E80、YW-L-400-E30、YW-L-400-E50、YW-L-400-E80、YW-L-400-E...詳細




















