Product Series
推薦產品
河南華東起重機械設備公司
服務熱線:400 086 9590
公司:河南華東起重機械設備有限公司
聯系人:賈經理
聯系電話:13903802779
地址:河南新鄉市封丘縣起重機工業園區
當前位置: 起重機 > 起重機文章
YDWZ(A)系列長行程制動器YDWZ(A)型長行程制動器
時間:2024-01-22來源:制動器廠家瀏覽次數:1
制動器產品介紹
YDWZA系列節能長行程制動器型號規格有:YDWZA-160、YDWZA-200、YDWZA-250、YDWZA-315、YDWZA-400、YDWZA-500、YDWZA-630型等。YDWZA節能長行程制動器貨源產地、生產廠家還為用戶提供電磁鼓式制動器、盤式制動器、防風制動器、防爆/隔爆制動器、輪邊制動器、液壓/氣動直動制動器成套和推動器、驅動裝置(液壓罐、制動器電機)、制動瓦塊、制動器架子等零部件的設計制造(定制)和配件批發零售、安裝修理維修服務,更多制動器產品規范標準、特性/選型、技術參數、制動力矩、退距、外形尺寸、常見問題以及價格報價請咨詢客服。
制動器產品說明
產品名稱:節能長行程制動器
別名別稱:工業制動剎車/抱閘
型號規格:YDWZ(A)系列型
所屬類別:工業制動器
產品產地:河南新鄉/焦作
是否定制:是
是否現貨:部分現貨
生產周期:5~10天
供貨范圍:全國
送達方式:自提或物流托運
是否安裝:安裝另議
發貨地區:河南長垣
制動器圖片展示

制動器相關參數
YDWZA系列節能長行程制動器技術參數表
| 型號 | 制動輪徑 (mm) | 制動力矩 (N·m) | 退矩 (mm) | 配用推動器 | ||||
| 型號 | 額定推力(N) | 額定行程(mm) | Z小孔距(H1) | 外徑(D1mm) | ||||
| YDWZA-160 | 160 | 80 | 0.8 | DTJ-230/40 | 230 | 40 | 286 | 130 |
| YDWZA-200 | 200 | 112-224 | 1 | DTJ-300/50 | 300 | 50 | 370 | 130 |
| YDWZA-250 | 250 | 180-315 | 1.25 | DTJ-300/50 | 300 | 50 | 370 | 130 |
| YDWZA-315 | 315 | 400-630 | 1.25 | DTJ-500/50 | 500 | 60 | 435 | 150 |
| YDWZA-400 | 400 | 630-1250 | 1.6 | DTJ-800/60 | 800 | 60 | 450 | 170 |
| YDWZA-500 | 500 | 1120-2240 | 1.6 | DTJ-1250/60 | 1250 | 60 | 645 | 190 |
| YDWZA-630 | 630 | 2500-4000 | 2 | DTJ-2000/60 | 2000 | 60 | 645 | 190 |
YDWZA系列節能長行程制動器型號意義 ![]() | ||||||||
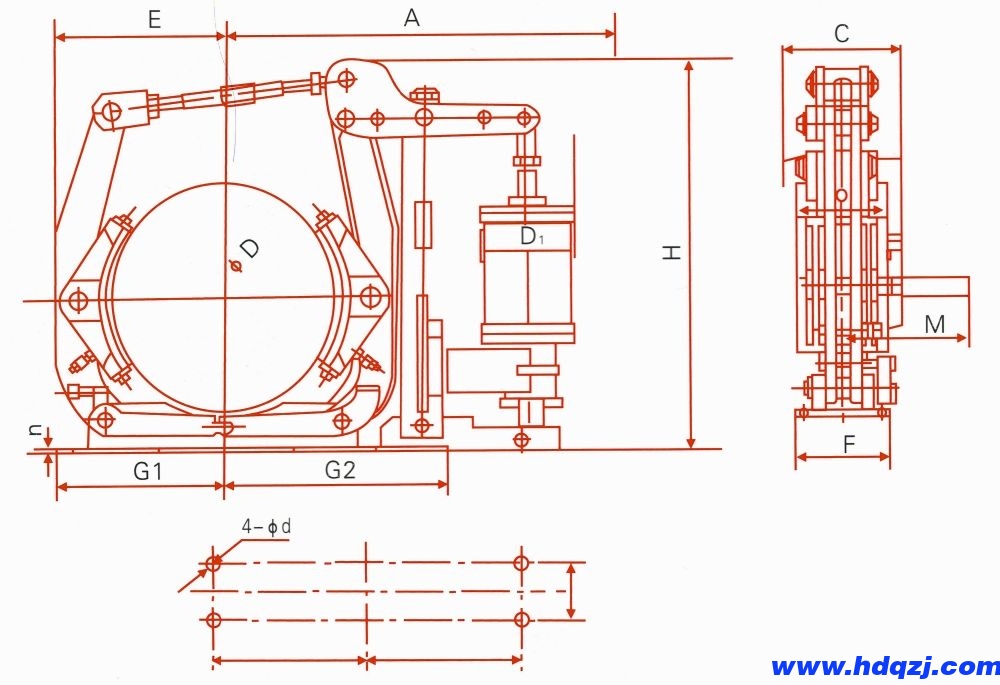
YDWZA系列節能長行程制動器外形尺寸圖表
YDWZA系列節能長行程制動器外形尺寸圖 ![]() | ||||||||||
| 型號 | D | h1 | k | i | d | f | B | Hmax | E | Amax |
| YDWZA-160 | 160 | 132 | 130 | 55 | 14 | 85 | 65 | 395 | 150 | 428 |
| YDWZA-200 | 200 | 160 | 145 | 55 | 14 | 90 | 80 | 784 | 165 | 445 |
| YDWZA-250 | 250 | 190 | 180 | 65 | 18 | 100 | 100 | 553 | 200 | 500 |
| YDWZA-315 | 315 | 225 | 220 | 80 | 18 | 110 | 125 | 573 | 242 | 535 |
| YDWZA-400 | 400 | 280 | 270 | 100 | 22 | 140 | 160 | 754 | 300 | 665 |
| YDWZA-500 | 500 | 335 | 325 | 130 | 22 | 180 | 200 | 845 | 365 | 745 |
| YDWZA-600 | 630 | 420 | 400 | 170 | 27 | 220 | 250 | 1015 | 450 | 835 |
-
23
2024-01
YDWZ系列節能長行程制動器YDWZ長行程制動器剎車抱閘
制動器產品介紹 YDWZ系列節能長行程制動器型號有:YDWZ-100、YDWZ-200、YDWZ-300、YDWZ-400、YDWZ-500、YDWZ-600型等。制動器產品說明產品名稱:節能長行程制動器別名別稱:制動剎車/抱閘型號規格:YDWZ系列型所屬類別:工業制動器產品產地:河南新鄉/焦作是否定制:是是否現貨:部分現貨定制周期:5~10天供貨范圍:全國送達方式:自提或物流托運是否...詳細
-
22
2024-01
YDWZ(A)系列長行程制動器YDWZ(A)型長行程制動器
制動器產品介紹 YDWZA系列節能長行程制動器型號規格有:YDWZA-160、YDWZA-200、YDWZA-250、YDWZA-315、YDWZA-400、YDWZA-500、YDWZA-630型等。YDWZA節能長行程制動器貨源產地、生產廠家還為用戶提供電磁鼓式制動器、盤式制動器、防風制動器、防爆/隔爆制動器、輪邊制動器、液壓/氣動直動制動器成套和推動器、驅動裝置(液壓罐、制動器電...詳細






















