推薦產品
河南華東起重機械設備公司
服務熱線:400 086 9590
公司:河南華東起重機械設備有限公司
聯系人:賈經理
聯系電話:13903802779
地址:河南新鄉市封丘縣起重機工業園區
當前位置: 起重機 > 技術資料 > 起重機百科
BDK61系列隔爆型電氣控制箱BDK61型防爆型電氣控制箱
時間:2024-01-24來源:防爆電器箱廠家瀏覽次數:1
防爆控制箱介紹
BDK61隔爆型電氣控制箱產品使用說明:
BDK61隔爆型電氣控制箱型號有:BDK61-20、BDK61-40、BDK61-60等型號。BDK61型隔爆型電控箱防爆標志ExdIICT4,用于防爆電動葫蘆上作為電控使用。
防爆控制箱說明
產品名稱:BDK61隔爆型電氣控制箱
別名別稱:防爆葫蘆電器箱電氣柜
型號規格:BDK61型
所屬類別:防爆電氣
產品產地:河南新鄉長垣
非標定制:承接非標制造
是否現貨:部分現貨
生產周期:3~7天
包裝形式:協議包裝
供貨范圍:全國
送達方式:自提或代辦托運
是否安裝:安裝另計
防爆控制箱圖片

防爆控制箱參數
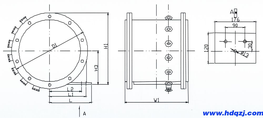
BDK61隔爆型電氣控制箱外形安裝尺寸圖

BDK61隔爆型電氣控制箱技術參數表
| 型號 尺寸 | D1 | H1 | W1 | H3 | L | L1 | L2 | 出線口數量 | 重量 |
| BDK61-20 | 315 | 290 | 263 | 128 | 183 | 153 | 123 | 7 | 46kg |
| BDK61-40 | 375 | 316 | 280 | 128 | 217 | 187 | 157 | 7 | 55kg |
| BDK61-60 | 500 | 377 | 290 | 130 | 278 | 248 | 218 | 7 | 118kg |
防爆控制箱說明:
防爆電氣箱內主要電氣元件(接觸器)可選配定制,主要品牌有:正泰、天水長城、人民電器、德力西、西門子、ABB、施耐德、臺邦等國產進口品牌。更多防爆隔爆型電動葫蘆、防爆單雙梁橋門式起重機電氣控制箱(電氣控制柜)貨源產地、生產廠家、型號規格、技術參數、防爆等級、產品特性用途選型、工作原理和安裝維修、常見故障排除與安全注意事項請聯系我們咨詢。
-
24
2024-01
BDK61系列隔爆型電氣控制箱BDK61型防爆型電氣控制箱
防爆控制箱介紹BDK61隔爆型電氣控制箱產品使用說明:BDK61隔爆型電氣控制箱型號有:BDK61-20、BDK61-40、BDK61-60等型號。BDK61型隔爆型電控箱防爆標志ExdIICT4,用于防爆電動葫蘆上作為電控使用。防爆控制箱說明產品名稱:BDK61隔爆型電氣控制箱別名別稱:防爆葫蘆電器箱電氣柜型號規格:BDK61型所屬類別:防爆電氣產品產地:河南新鄉長垣非標定制:承接非標制造是否現...詳細
-
24
2024-01
BQK62雙速隔爆型電氣控制箱BQK62雙制動防爆電氣控制箱
防爆電器箱介紹BQK隔爆型電氣控制箱使用說明:BQK型隔爆型電控箱主要型號有:BQK62-40、BQK62-60、BQK62-80等,防爆標志ExdIIBT4,用于雙速雙制動防爆單梁起重機(防爆單梁吊機防爆單梁天車)上作為電控使用。防爆電器箱說明產品名稱:BQK隔爆型電氣控制箱別名別稱:防爆電器箱電器柜型號規格:BQK型所屬類別:防爆電氣產品產地:河南新鄉長垣非標定制:可非標定制是否現貨:部分現貨...詳細
-
24
2024-01
BDK62系列隔爆型電氣控制箱BDK62型防爆型電氣控制箱
防爆電器箱介紹BDK62隔爆型電氣控制箱產品使用說明:BDK62隔爆型電氣控制箱主要型號有:BDK62-20、BDK62-40、BDK62-60等型號,BDK62型隔爆型電控箱防爆標志ExdIICT4,用于防爆電動葫蘆上作為電控使用。防爆電器箱說明產品名稱:BDK62隔爆型電氣控制箱別名別稱:防爆葫蘆電器箱電氣柜型號規格:BDK62型所屬類別:防爆電氣產品產地:河南新鄉長垣非標定制:承接非標制造是...詳細
-
24
2024-01
BDK71系列隔爆型電氣控制箱BDK71型防爆型電氣電器箱
防爆電器箱介紹BDK71隔爆型電氣控制箱使用說明:BDK71隔爆型電氣控制箱型號有:BDK71-40/380、BDK71-60/380等,防爆標志ExdIICT4,BDK71隔爆型電氣控制箱用于防爆電動雙梁起重機上使用。防爆電器箱說明產品名稱:BDK71隔爆型電氣控制箱別名別稱:防爆行車電器箱電氣柜型號規格:BDK71型所屬類別:雙梁防爆電氣產品產地:河南新鄉長垣非標定制:承接非標定制是否現貨:定...詳細
-
24
2024-01
BDK72系列隔爆型電氣控制箱BDK72型防爆型電氣控制箱
防爆電器箱介紹BDK72隔爆型電氣控制箱使用說明:BDK72隔爆型電氣控制箱型號為BDK72-40/380,防爆標志ExdIICT4,BDK71隔爆型電氣控制箱用于防爆電動雙梁起重機上使用。防爆電器箱說明產品名稱:BDK72隔爆型電氣控制箱別名別稱:防爆行車電器箱電氣柜型號規格:BDK72型所屬類別:起重防爆電氣產品產地:河南新鄉長垣非標定制:承接非標定制是否現貨:少量現貨生產周期:3~10天包裝...詳細




















