Product Series
推薦產品
河南華東起重機械設備公司
服務熱線:400 086 9590
公司:河南華東起重機械設備有限公司
聯系人:賈經理
聯系電話:13903802779
地址:河南新鄉市封丘縣起重機工業園區
當前位置: 起重機 > 起重機文章
SK型環鏈電動葫蘆
時間:2024-05-23來源:起重機廠家瀏覽次數:1
產品介紹
外殼:鋁合金外殼,堅實而質輕。有特色散熱片,散熱快,可連續使用,效率達40%。整體密閉式結構,可使用在化工廠、電鍍廠等地方。
電磁剎車:新設計的磁力產生器,其特性為產磁。可在電源切斷的同時間剎車,保證吊重時剎車確保安全。
極限開關:吊上吊下都有極限開關裝置,使自動停止,防止鏈條超出,確保安全。
鏈條:采用FEC80超級加熱處理合金鋼鏈條。在雨水海水、化學品及其他惡劣狀況下使用安全無慮。
吊鉤:經熱鍛造,強度高,不易斷裂。下吊鉤可360°旋轉,附安全舌片,確保操作安全。
支撐架:吊重支撐架由兩片鋼板組合,非常堅固。
變壓器: 24V/36V變壓裝置。操作時,萬-漏電,可防止意外事故發生,下雨時,可保證安全使用。
電磁接觸器:高效率電磁接觸器,可高頻率使用,沒有問題。
逆相保護裝置:特殊電線裝置,當電源接線錯誤時,控制電路無法動作。
按鈕開關:使用防水按鈕開關.輕便耐用。





SK型環鏈電動葫蘆產品參數
| 掛鉤式環鏈電動葫蘆0.25T-5T尺寸參數 | |||||||
| 型號 | H | A | B | D | E | K | L |
| SKDHL0.25-01M | 354 | 475 | 260 | 290 | 190 | 20 | 28 |
| SKDHL0.5-01M | 380 | 510 | 265 | 305 | 200 | 20 | 28 |
| SKDHL01-01M | 410 | 620 | 326 | 295 | 175 | 24 | 34 |
| SKDHL01.5-01M | 615 | 745 | 410 | 370 | 230 | 30 | 40 |
| SKDHL02-01M | 615 | 745 | 410 | 420 | 280 | 30 | 40 |
| SKDHL02-02M | 610 | 620 | 326 | 295 | 210 | 30 | 40 |
| SKDHL02.5-01M | 615 | 745 | 410 | 420 | 280 | 35 | 48 |
| SKDHL03-01M | 615 | 745 | 410 | 420 | 280 | 35 | 48 |
| SKDHL03-02M | 8200 | 745 | 410 | 425 | 345 | 35 | 48 |
| SKDHL03-03M | 845 | 745 | 410 | 420 | 345 | 44 | 48 |
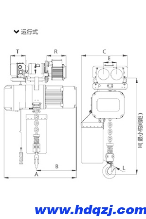
| 運行式環鏈電動葫蘆0.25T-5T尺寸參數 | |||||||||
| 型號 | H | A | B | C | D | E | L | R | T |
| SKDHL0.25-01M | 380 | 475 | 260 | 355 | 95 | 111 | 28 | 200 | 156 |
| SKDHL0.5-01M | 400 | 510 | 265 | 355 | 95 | 111 | 28 | 200 | 156 |
| SKDHL01-01M | 430 | 620 | 326 | 330 | 95 | 111 | 34 | 200 | 156 |
| SKDHL01.5-01M | 640 | 745 | 410 | 450 | 110 | 127 | 40 | 200 | 156 |
| SKDHL02-01M | 640 | 745 | 410 | 450 | 110 | 127 | 40 | 200 | 156 |
| SKDHL02-02M | 700 | 620 | 326 | 370 | 110 | 127 | 40 | 200 | 156 |
| SKDHL02.5-01M | 650 | 745 | 410 | 450 | 125 | 140 | 48 | 246 | 156 |
| SKDHL03-01M | 650 | 745 | 410 | 450 | 125 | 140 | 48 | 246 | 156 |
| SKDHL03-02M | 790 | 745 | 410 | 515 | 125 | 140 | 48 | 246 | 156 |
| SKDHL03-03M | 865 | 745 | 410 | 545 | 140 | 156 | 48 | 246 | 156 |




















