推薦產品
河南華東起重機械設備公司
服務熱線:400 086 9590
公司:河南華東起重機械設備有限公司
聯系人:賈經理
聯系電話:13903802779
地址:河南新鄉市封丘縣起重機工業園區
當前位置: 起重機 > 技術資料 > 起重機百科
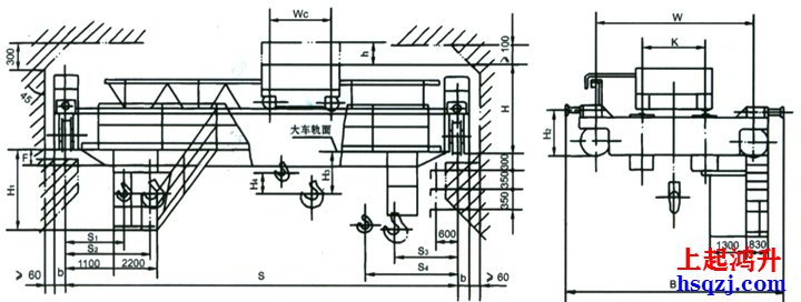
16/3.2噸雙梁行車參數16噸雙梁橋式起重機尺寸
時間:2021-10-04來源:雙梁行車廠家瀏覽次數:1869
16噸雙梁行車圖片展示:

16/3.2噸雙梁行車技術參數表:
| 雙梁行車起重量 Lifting Weight | t | 16/3.2噸雙梁行車 Technological parameter | ||||||||||||
| 雙梁橋式起重機跨度 Span | m | 10.5米 | 13.5米 | 16.5米 | 19.5米 | 22.5米 | 25.5米 | 28.5米 | 31.5米 | |||||
|
最大起升高度 MaX.Lifting Height |
主鉤 Primary | 16米 | ||||||||||||
| 副鉤 Secondary | 18米 | |||||||||||||
|
速度 Speed |
起升 Lift |
主鉤 Primary | A5 | m/min | 7.9m/min | |||||||||
| A6 | 13m/min | |||||||||||||
| 副鉤 Secondary | A5 | 19.7m/min | ||||||||||||
| A6 | ||||||||||||||
| 小車運行速度 handcart travel | 44.6m/min | |||||||||||||
| 大車運行速度 Cart travel | A5 | 84.7m/min | 87.6m/min | |||||||||||
| A6 | 112.5m/min | 101.4m/min | ||||||||||||
|
電動機 Motor |
起升 Lift |
主鉤 Primary | A5 | kw | TZR225M-8Z/26kw | |||||||||
| A6 | YZR250M1-6/37kw | |||||||||||||
| 副鉤 Secondary | YZR160L-6Z/13kw | |||||||||||||
| 小車運行速度 handcart travel | YZR132M2-6/4kw | |||||||||||||
| 大車運行速度 Cart travel | A5 | YZR160M1-6/6.3×2kw | YZR160M2-6/7.5×2kw | |||||||||||
| A6 | YZR160M2-6/7.5×2kw | YZR160L-6/11×2kw | ||||||||||||
|
雙梁行車橋式起重機 主要尺寸(mm) Main Size |
H | A5 | 2095mm | 2185mm | ||||||||||
| A6 | 2095mm | 2097mm | 2185mm | 2187mm | ||||||||||
| H1 | A5 | 2520mm | 2550mm | 2620mm | 2768mm | 2918mm | 3068mm | 3218mm | ||||||
| A6 | 2520mm | 2550mm | 2620mm | 2770mm | 2920mm | 3070mm | 3220mm | |||||||
| H2 | 850+Ho | 940+Ho | ||||||||||||
| H3 | A5 | 729mm | 639mm | |||||||||||
| A6 | 729mm | 727mm | 639mm | 637mm | ||||||||||
| H4 | 770mm | |||||||||||||
| h | A5 | 720mm | ||||||||||||
| A6 | 820mm | |||||||||||||
| k | 2000mm | |||||||||||||
| B | A5 | 5940mm | 5944mm | 6434mm | ||||||||||
| A6 | 6274mm | 7004mm | ||||||||||||
| W | A5 | 4000mm | 4100mm | 5000mm | ||||||||||
| A6 | 4400mm | |||||||||||||
| WC | 2400mm | |||||||||||||
| b | 230mm | 260mm | ||||||||||||
| F | A5 | 80mm | 180mm | 240mm | 388mm | 538mm | 688mm | 838mm | ||||||
| A6 | 80mm | 180mm | 240mm | 390mm | 540mm | 690mm | 840mm | |||||||
| S1 | 1040mm | |||||||||||||
| S2 | 1850mm | |||||||||||||
| S3 | 1500mm | |||||||||||||
| S4 | 2310mm | |||||||||||||
|
起重機重量 Weight |
小車 handcart | A5 | t | 6.227噸 | ||||||||||
| A6 | 6.427噸 | |||||||||||||
| 總重 Total Weight | A5 | 19.2噸 | 21噸 | 23噸 | 27噸 | 30噸 | 34噸 | 38噸 | 41噸 | |||||
| A6 | 21噸 | 23噸 | 25噸 | 29噸 | 32噸 | 36噸 | 40噸 | 44噸 | ||||||
|
最大輪壓 Max.Wheel Pressure |
A5 | t | 14.6噸 | 15.5噸 | 16.3噸 | 18.5噸 | 19.3噸 | 20.5噸 | 21.4噸 | 22.3噸 | ||||
| A6 | 15.5噸 | 16.4噸 | 17.3噸 | 19.4噸 | 20.3噸 | 21.4噸 | 22.3噸 | 23.2噸 | ||||||
| 薦用鋼軌 Steel track | 43kg/m道軌 QU70鋼軌 | |||||||||||||
| 電源 Power Supply | 三相交流 3-Phase A.C. 50Hz 380V | |||||||||||||
16噸雙梁橋式起重機外形尺寸圖:

16/3.2噸雙梁行車是橋式起重機中比較常用噸位行車,以上就是為大家介紹的16噸雙梁橋式起重機主要技術參數表、16噸雙梁行車外形尺寸圖及16噸雙梁起升起重機外形結構圖。
-
14
2025-08
架橋機發生故障后需要進行的緊急措施、公路架橋機失效時的應急解決方式
架橋機發生故障后需要進行的緊急措施 1.當導梁架橋機出現故障時,有必要采取一些緊急措施來確定事故原因。 具體方法是執行多個電方向操作,以觀察物體是否在加速。 如果在關閉操作手柄后故障仍然存在,則應該是導梁架橋機的故障。 目前,它分為兩種情況,應該區別對待。 2.在一種情況下,故障發生在推車的操作機構或推車的操作機構中。 在這種情況下,需要緊急停電方法。 在這兩種情況下,故障都發生在電梯中。 此...詳細
-
14
2025-08
架橋機的安全技術要點介紹
架橋機的安全技術要點介紹:1、架橋機安裝拆除屬于超過規模、危險性較大的工程,需編制專項施工方案,并論證。2、拼裝工藝流程為:施工準備→安放前支腿、中支腿橫移軌道→安前支腿、中支腿、后支腿→拼裝主梁、導梁、安裝聯系框架→安裝導梁前支腿→安裝起吊天車→液壓、電控系統安裝調試。3、架橋機安裝前應對進場的構件、配件、工機具等進行詳細檢查驗收。4、場地尺寸及地基承載力應滿足架橋機安裝及試運荷載的要求;場地平...詳細
-
12
2025-08
拼裝式架橋機的主要特點
拼裝式架橋機的主要特點: 1、本架橋機為拆裝式結構,使用中可根據具體條件的不同對架橋機進行局部改造,因此適應現場能力強?! ?、對運輸條件無苛刻要求,除七根橫梁采用集裝箱平板車運輸外,其余構件可用火車或一般載重汽車運輸?! ?、轉場方便。由于是拆裝式結構,因此根據現場實際情況可以整體自行轉場,也可分解后轉場,再行組裝,組裝時間15~20天?! ?、變跨方便??梢约茉O32米及以下各種跨度單線整簡支...詳細
-
12
2025-08
架橋機的檢測方案、橋機運行參數控制
架橋機的檢測方案 1、對結構主梁的檢測 架橋機結構主梁對減輕其自重,減少風阻力有著重要的意義,一般由三個或者五個等長度焊制成的桁架組裝連接。相關工作人員可以根據塔式起重機起重臂的檢測方法,對主梁各段連結銷軸逐個檢查,確認是否達到緊密連結; 2、對起升機構和運行機構的檢測 架橋機在形式結構和起升方式上都與雙梁門起重機相似,但是兩者的不同就是有兩臺du立的提升小車機構。在對每個機構的提升制動和...詳細
-
08
2025-08
架橋機冬季如何維護運架一體機配件、架橋機的載荷組合方式有哪幾種?
冬季如何維護運架一體機配件: 1、維修電機及減速機 經常檢查電機殼體及軸承零件溫度,電機的噪聲,振動有無異常。頻繁啟動的情況下,通風系統和低速度,減少冷卻能力以及大電流,電機溫升將很快改進,所以要注意溫升應不應大于規范限值。根據運架一體機制動的手動調整。齒輪箱維護請參閱制造商的說明。應經常檢查減速機的錨定螺栓,連接可能不會松動。 2、運行齒輪潤滑 保...詳細
-
05
2025-08
拼裝式架橋機的主要特點、架橋機的結構部分
拼裝式架橋機的主要特點 1、本架橋機為拆裝式結構,使用中可根據具體條件的不同對架橋機進行局部改造,因此適應現場能力強。 2、對運輸條件無苛刻要求,除七根橫梁采用集裝箱平板車運輸外,其余構件可用火車或一般載重汽車運輸。 3、轉場方便。由于是拆裝式結構,因此根據現場實際情況可以整體自行轉場,也可分解后轉場,再行組裝,組裝時間15~20天。 4、變跨方便。...詳細




















